联系我们
>>> 干燥设备类 - - - TG-Z系列热风循环烘箱
 
概     述  

    TG-Z系列热风循环烘箱,集国内外同类产品之长,经过精心设计,几次升级换代,达到国内外先进水平。它以蒸汽或电为热源,通过热交换器加热,受风机强制循环的空气。热空气层流经过烘盘与物料进行热量传递,并带走物料挥发的湿气。根据物料的不同要求和干燥过程的不同状况,可调节空气排出量与循环量的比例,从而达到干燥速率与热利用率双重提高的目的,这也是热风循环烘箱之优点所在。经过长期的摸索与实践,本公司研制成功了一套科学、方便、实用的调节空气排出/循环比例量的装置,从而使烘箱使用效果达到最佳。

    为了尽量减少箱内各点的温差,除了依靠强制的循环空气的对流传热以外,还在箱内左右二侧设有可以调节的分风装置,调节分风叶片之间的间隙,使箱内上、下、前、后各点的温度趋于一致。

    温度自动控制装置能使箱内的温度恒定在所设定的数值上,万一超限,则会自动声光报警。

    热风循环烘箱是属盘架式间歇干燥、通用性较大的干燥设备,适用于制药、化工、食品、轻工、电子等行业的物料、成品的除湿、固化乃至灭菌的单元操作。如:原料药、生药、中药饮片、粉剂、颗粒、冲剂、蜜丸、颜料、染料、香料、包装瓶、脱水蔬菜、食品、塑料树脂、电器原件、烘漆等等。

安装使用说明  
     TG-Z系列烘箱,可根据用户要求采用整体或散装部件运输出厂,即使整体出厂的烘箱到现场也可拆散后运进室内重新组合。

    要求安装烘箱的场地平整,根据烘箱的外形尺寸和操作需要的转动空间确定厂房平面和高度的最小限度。

    安装前后,仔细参阅“使用说明书”,试车前应注意到:
    1、检查风机叶片是否碰壳,如果叶片转动不灵活、或噪声过大,必须调整风机的坚固螺丝。
    2、检查风机转向是否正确。
    3、保证蒸汽管路畅通不泄漏。先将管路中的锈污物提前排掉,保证电磁阀使用后不被堵塞

     烘箱内温度的调节、自控箱的使用,请按“使用说明书”操作。

主要技术参数  
型号
技术参数
总重量
(kg)
蒸发
面积
(m2)
有效
容积
(m3)
每次
干燥量
(kg/批)
散热器
面积
(m2)
耗用
蒸汽
(kg/h)
风机
风量
(m3/h)

风机
电功率
(kw)

箱内
温差
(℃)
配备
烘车
(辆)
应订购
烘盘
(只)
外形尺寸
宽×深×高
(mm)
TG-Z-O
7
1.3
60
15
15
3500
0.45
±2
1
24
1340×1200×2160
420
TG-Z-Ⅰ
14
2.6
120
23
20
3500
0.45
±2
2
48
2200×1200×2160
1080
TG-Z-Ⅱ
27
5.2
240
48
40
7000
0.45×2
±2
4
96
2200×2200×2160
1520
TG-Z-Ⅲ
41
7.8
360
72
60
10500
0.45×3
±2
6
144
3160×2200×2160
1960
TG-Z-Ⅳ
54
10.4
480
96
80
14000
0.45×4
±2
8
192
4200×2200×2270
2400

    箱体外壁材质:Q235A、304;内壁有:LF2、304、镀锌板; 烘车材质:Q235A、304;烘盘材质:LF2、304、镀锌板。

1.加热热源蒸汽、电、远红外电蒸汽两用、供用户选择。
2.使用温度:蒸汽加热50-130℃;电、远红外50-350℃。
3.备有自控系统和电脑控制系统供用户选择。
4.常用蒸汽压力0.02-0.8MPa(约为0.2-8kg/cm2)
5.配用电加热按I型计算15kw,实用5-8kw/h。
6.特殊要求在定货时表明,非标烘箱价格面议。
7.使用温度大于130℃或小于60℃,要在定货时说明。
8.本公司生产的烘车、烘盘尺寸统一,可以互换。

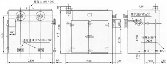
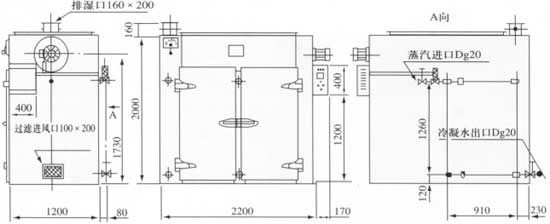
TG-Z-Ⅰ热风循环烘箱  

TG-Z-Ⅱ热风循环烘箱  
TG-Z-Ⅳ热风循环烘箱  
烘  车   烘盘  
       

名称\项目
a
b
数量
材质
大号
645
900
12只/车
LF2.&1或304.&0.6
小号
460
645
24只/车
江阴市干燥设备制造有限公司 版权所有(C)2003
网络支持 中国化工网 ChemNet.com 网盛科技
首页 公司概况 荣誉证书 产品中心 商务定单 化工e圈 联系我们