|
|
| |
| |
Add: |
| |
Nanmo Industrial Park, Haian, Jiangsu, China |
| |
North end of Xianjin Industrial Park, Jiangyan, China |
| |
Zip code: 226681 |
| |
Tel of Nantong factory: |
| |
+86-513-88487699 88487899 |
| |
Tel of Jiangyan factory: |
| |
+86-523-88606588 88697466 |
| |
Fax: +86-523-8691963 |
| |
Mobile: +86-13901421973 |
| |
Email: sales@jshrq.com |
|
|
|
| |
LQG Marine Cooler series
|
 |
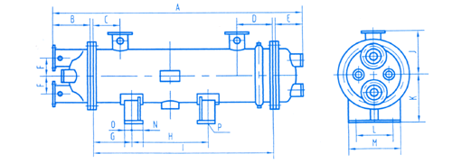
Size form of LQG Type cooler (second flow)
Model |
Cooling area |
Diameter of joint pipe |
A |
B |
C |
D |
E |
F |
G |
H |
I |
J |
K |
L |
M |
N |
O |
P |
Pipe side |
Shell side |
LQG1-200/2 |
1 |
40 |
32 |
1106 |
110 |
100 |
160 |
121 |
80 |
150 |
500 |
850 |
150 |
150 |
100 |
150 |
60 |
30 |
4-M16 |
LQG2-200/2 |
2 |
50 |
40 |
1106 |
110 |
100 |
160 |
121 |
75 |
150 |
500 |
850 |
150 |
150 |
100 |
150 |
60 |
30 |
4-M16 |
LQG3-200/2 |
3 |
50 |
40 |
1406 |
110 |
100 |
160 |
121 |
75 |
150 |
800 |
1150 |
150 |
150 |
100 |
150 |
60 |
30 |
4-M16 |
LQG5-350/2 |
5 |
65 |
50 |
1521 |
120 |
110 |
170 |
131 |
92.5 |
150 |
850 |
1245 |
175 |
180 |
150 |
200 |
60 |
30 |
4-M16 |
LQG8-350/2 |
8 |
65 |
50 |
1187 |
140 |
130 |
200 |
136 |
142.5 |
150 |
500 |
875 |
250 |
260 |
230 |
280 |
60 |
30 |
4-M16 |
LQG10-350/2 |
10 |
80 |
65 |
1406 |
140 |
130 |
200 |
136 |
135 |
150 |
650 |
1094 |
250 |
260 |
230 |
300 |
60 |
30 |
4-M16 |
LQG15-400/2 |
15 |
100 |
80 |
1553 |
210 |
140 |
220 |
167 |
150 |
200 |
750 |
1140 |
250 |
290 |
250 |
300 |
60 |
30 |
4-M20 |
LQG20-400/2 |
20 |
125 |
100 |
1933 |
210 |
140 |
220 |
167 |
137.5 |
200 |
1000 |
1520 |
280 |
290 |
250 |
300 |
60 |
30 |
4-M20 |
LQG25-400/2 |
25 |
125 |
100 |
2333 |
210 |
140 |
220 |
167 |
137.5 |
200 |
1200 |
1900 |
280 |
290 |
250 |
300 |
60 |
30 |
4-M20 |
LQG30-400/2 |
30 |
125 |
100 |
2693 |
210 |
140 |
220 |
167 |
137.5 |
200 |
1600 |
2280 |
280 |
290 |
250 |
300 |
60 |
30 |
4-M20 |
LQG35-450/2 |
35 |
125 |
100 |
2539 |
250 |
140 |
240 |
192 |
137.5 |
200 |
1400 |
2061 |
280 |
290 |
250 |
300 |
60 |
30 |
4-M20 |
LQG40-550/2 |
40 |
125 |
100 |
2124 |
280 |
185 |
270 |
227 |
212.5 |
200 |
1050 |
1579 |
410 |
420 |
380 |
480 |
60 |
40 |
4-M20 |
LQG45-500/2 |
45 |
125 |
100 |
2605 |
260 |
170 |
250 |
197 |
187.5 |
250 |
1150 |
2112 |
340 |
350 |
320 |
420 |
75 |
45 |
4-M22 |
LQG50-650/2 |
50 |
150 |
150 |
1945 |
300 |
235 |
360 |
249 |
250 |
250 |
800 |
1352 |
470 |
480 |
420 |
560 |
75 |
45 |
4-M22 |
LQG60-650/2 |
60 |
150 |
150 |
2215 |
300 |
235 |
360 |
249 |
250 |
250 |
1100 |
1622 |
470 |
480 |
420 |
560 |
75 |
45 |
4-M24 |
LQG70-700/2 |
70 |
200 |
200 |
2280 |
300 |
235 |
360 |
280 |
250 |
250 |
950 |
1620 |
500 |
510 |
480 |
600 |
75 |
45 |
4-M24 |
LQG80-600/2 |
80 |
150 |
125 |
3160 |
300 |
210 |
335 |
242 |
225 |
300 |
1800 |
2576 |
440 |
400 |
400 |
520 |
60 |
40 |
4-M22 |
LQG90-700/2 |
90 |
200 |
200 |
2743 |
300 |
235 |
360 |
280 |
250 |
250 |
1400 |
2083 |
500 |
510 |
480 |
600 |
75 |
45 |
4-M24 |
LQG100-700/2 |
100 |
200 |
200 |
2975 |
300 |
235 |
360 |
280 |
250 |
200 |
1600 |
2315 |
500 |
510 |
480 |
600 |
75 |
45 |
4-M24 |
LQG110-700/2 |
110 |
200 |
200 |
3205 |
300 |
235 |
385 |
280 |
200 |
300 |
1650 |
2545 |
500 |
510 |
480 |
600 |
75 |
45 |
4-M24 |
LQG120-700/2 |
120 |
200 |
200 |
3123 |
360 |
240 |
360 |
300 |
300 |
300 |
1600 |
2413 |
440 |
540 |
520 |
640 |
75 |
45 |
4-M24 |
LQG130-700/2 |
130 |
200 |
200 |
3670 |
300 |
235 |
360 |
280 |
300 |
400 |
2100 |
3010 |
500 |
510 |
480 |
600 |
75 |
45 |
4-M24 |
LQG140-700/2 |
140 |
200 |
200 |
3900 |
300 |
235 |
360 |
280 |
250 |
400 |
2250 |
3240 |
500 |
510 |
480 |
600 |
75 |
45 |
4-M24 |
LQG150-700/2 |
150 |
200 |
250 |
4130 |
300 |
235 |
360 |
280 |
225 |
400 |
2500 |
3470 |
500 |
510 |
480 |
600 |
75 |
45 |
4-M24 |
LQG160-750/2 |
160 |
200 |
200 |
3930 |
330 |
240 |
385 |
300 |
275 |
400 |
2300 |
3220 |
530 |
540 |
520 |
640 |
75 |
45 |
4-M24 |
LQG180-750/2 |
180 |
250 |
200 |
4330 |
330 |
240 |
385 |
300 |
250 |
400 |
2600 |
3620 |
530 |
540 |
520 |
640 |
75 |
45 |
4-M24 |
LQG200-750/2 |
200 |
250 |
250 |
4730 |
330 |
240 |
385 |
300 |
250 |
400 |
3000 |
4020 |
530 |
540 |
520 |
640 |
75 |
45 |
4-M24 |
LQG220-800/2 |
220 |
250 |
250 |
4569 |
360 |
265 |
410 |
300 |
275 |
500 |
2600 |
3855 |
560 |
570 |
580 |
700 |
85 |
55 |
4-M24 |
LQG240-800/2 |
240 |
300 |
300 |
4919 |
360 |
265 |
410 |
300 |
250 |
500 |
2950 |
4205 |
560 |
570 |
580 |
700 |
85 |
55 |
4-M24 |
LQG260-800/2 |
260 |
300 |
300 |
5269 |
360 |
265 |
410 |
300 |
250 |
500 |
3300 |
4555 |
560 |
570 |
580 |
700 |
85 |
55 |
4-M24 |
Model |
Cooling area |
Diameter of joint pipe |
A |
B |
C |
D |
E |
F |
G |
H |
I |
J |
K |
L |
M |
N |
O |
P |
Pipe side |
Shell side |
LQG1-200/2 |
1 |
40 |
32 |
1106 |
110 |
100 |
160 |
121 |
80 |
150 |
500 |
850 |
150 |
150 |
100 |
150 |
60 |
30 |
4-M16 |
LQG2-200/2 |
2 |
50 |
40 |
1106 |
110 |
100 |
160 |
121 |
75 |
150 |
500 |
850 |
150 |
150 |
100 |
150 |
60 |
30 |
4-M16 |
LQG3-200/2 |
3 |
50 |
40 |
1406 |
110 |
100 |
160 |
121 |
75 |
150 |
800 |
1150 |
150 |
150 |
100 |
150 |
60 |
30 |
4-M16 |
LQG5-350/2 |
5 |
65 |
50 |
1521 |
120 |
110 |
170 |
131 |
92.5 |
150 |
850 |
1245 |
175 |
180 |
150 |
200 |
60 |
30 |
4-M16 |
LQG8-350/2 |
8 |
65 |
50 |
1187 |
140 |
130 |
200 |
136 |
142.5 |
150 |
500 |
875 |
250 |
260 |
230 |
280 |
60 |
30 |
4-M16 |
LQG10-350/2 |
10 |
80 |
65 |
1406 |
140 |
130 |
200 |
136 |
135 |
150 |
650 |
1094 |
250 |
260 |
230 |
300 |
60 |
30 |
4-M16 |
LQG15-400/2 |
15 |
100 |
80 |
1553 |
210 |
140 |
220 |
167 |
150 |
200 |
750 |
1140 |
250 |
290 |
250 |
300 |
60 |
30 |
4-M20 |
LQG20-400/2 |
20 |
125 |
100 |
1933 |
210 |
140 |
220 |
167 |
137.5 |
200 |
1000 |
1520 |
280 |
290 |
250 |
300 |
60 |
30 |
4-M20 |
LQG25-400/2 |
25 |
125 |
100 |
2333 |
210 |
140 |
220 |
167 |
137.5 |
200 |
1200 |
1900 |
280 |
290 |
250 |
300 |
60 |
30 |
4-M20 |
LQG30-400/2 |
30 |
125 |
100 |
2693 |
210 |
140 |
220 |
167 |
137.5 |
200 |
1600 |
2280 |
280 |
290 |
250 |
300 |
60 |
30 |
4-M20 |
LQG35-450/2 |
35 |
125 |
100 |
2539 |
250 |
140 |
240 |
192 |
137.5 |
200 |
1400 |
2061 |
280 |
290 |
250 |
300 |
60 |
30 |
4-M20 |
LQG40-550/2 |
40 |
125 |
100 |
2124 |
280 |
185 |
270 |
227 |
212.5 |
200 |
1050 |
1579 |
410 |
420 |
380 |
480 |
60 |
40 |
4-M20 |
LQG45-500/2 |
45 |
125 |
100 |
2605 |
260 |
170 |
250 |
197 |
187.5 |
250 |
1150 |
2112 |
340 |
350 |
320 |
420 |
75 |
45 |
4-M22 |
LQG50-650/2 |
50 |
150 |
150 |
1945 |
300 |
235 |
360 |
249 |
250 |
250 |
800 |
1352 |
470 |
480 |
420 |
560 |
75 |
45 |
4-M22 |
LQG60-650/2 |
60 |
150 |
150 |
2215 |
300 |
235 |
360 |
249 |
250 |
250 |
1100 |
1622 |
470 |
480 |
420 |
560 |
75 |
45 |
4-M24 |
LQG70-700/2 |
70 |
200 |
200 |
2280 |
300 |
235 |
360 |
280 |
250 |
250 |
950 |
1620 |
500 |
510 |
480 |
600 |
75 |
45 |
4-M24 |
LQG80-600/2 |
80 |
150 |
125 |
3160 |
300 |
210 |
335 |
242 |
225 |
300 |
1800 |
2576 |
440 |
400 |
400 |
520 |
60 |
40 |
4-M22 |
|
|
|
|
|