二、JHF系列强化传热混合反应器
   
JHF型典型应用

■聚酯熔体的冷却
■丙烯腈氨化反应
■氯乙酸和氨气的反应

 
 
 
 

结构特点、混合原理

    JHF系列强化传热反应器内部结构与静态混合器相仿,能使进入强化传热混合反应器的不同流体互相很好地混合,但与常规的静态混合器内部单元不同,其内部构件不是用板材而是用较细的管材制作,细管内部可以通过加热介质也可以通冷却介质,所以内部单元不仅能起到了充分混合,而且能提供很大的传热比表面积。
 
1、产品特性
   

    JHF-Ⅰ型强化传热混合反应器,专门用于高粘度介质的强化传热过程。JHF-Ⅰ型强化传热混合反应器不需要与其它配件相组合,直接与管道联接,对于3千厘泊~45万厘泊的高粘度介质,它的传热分系数可达100~400W,与普通的列管式换热强相比提高到4~5倍。

 
1、产品特性
   
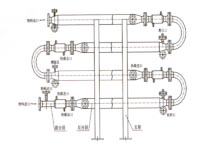
    对于强放热的液/液反应过程可以采用JHF-Ⅱ型强化传热混合反应器。JHF-Ⅱ型强化传热混合反应器水平安装,并带有SV型静态混合器作为配件,以确保互不相溶的液/液相混合均匀,需要停留时间较长的液/液反应过程,静态混合器的长度也较长,此时各台静态混合器之间可用180°的弯头来互相连接,组成单元反应器
  1、产品特性
    对于强放热的气/液反应过程可以采用 JHF-Ⅲ型强化传热混合反应器。JHF-Ⅲ型强化传热混合反应器垂直安装,一般情况下,反应器内气液两相并流向上运动,反应器底部配有专门设计的气体分布器。特殊情况下,反应器内气液两相也可以并流向下运动,反应器顶部配有专门设计的液体分布器。
 
 
   
1、产品特性
    JHF-Ⅳ型强化传热混合反应器能使进入它的不同流体互相很好地混合,又能强化高粘度介质的传热过程,所以特别适合用作聚合反应器。JHF-Ⅳ型内部同一截面处温度分布均匀,这不仅有利于提高聚合物的产品质量,而且有利于提高聚合反应的转化率。从单体到完全聚合,反应物料粘度有一个从小到大的变化过程,聚合度越高粘度就越大。
2、应用领域
    JHF-Ⅳ型强化传热混合反应器可以与SV型静态混合器配合使用,也可以与搅拌式聚合釜配合使用。